Produktoversikt
Konsentrisk reduksjon av ståler en rørkobling som brukes til å koble sammen rør med forskjellige diametre i et rørsystem. De to endene deler en felles senterlinje, med en konsentrisk struktur. Den brukes først og fremst i rørledningssystemer som transporterer flytende eller gassformige medier, og sikrer jevn flyt av mediet og stabile rørforbindelser. Brukt i industrier som petroleum, kjemiteknikk, kraftproduksjon, skipsbygging, kommunal teknikk, brannsikringssystemer og produksjon av mekanisk utstyr, er den konsentriske reduksjonsanordningen egnet for rørforbindelser i ventiler, pumperom, varmevekslere, kjeler, lagertanker og annet utstyr. Den tilbyr utmerket trykkmotstand, temperaturtoleranse og erosjonsmotstand, og oppfyller kravene til rørdiameteroverganger under forskjellige driftsforhold.
Produktparametere
|
Parameter |
Rekkevidde / Detaljer |
|
Utførelseskriterium |
ASME B16.9; GOST 17378; DIN2616; |
|
Spesifikasjonsområde |
GOST: 21,3 mm-1016 mm; DN15-DN1200; |
|
Veggtykkelsesklasse |
SCH10/20/40/80/160; XXS, GOST, DIN, etc. |
|
Tilkoblingstype |
Butt-Sveising |
|
Overflatebehandling |
Bar overflate, maling, anti-erosjonsmaling, varm-galvanisering |
|
Karbonstål materiale |
ct20, A234 WPB, P235GH, P265GH, P355NH, ST35.8, ST37.2 |
|
Materiale i rustfritt stål |
304/304L, 316/316L, 321; 12Х18Н10Т, 08X18H10, 08X17H13M2T; |
|
Legert stålmateriale |
A234 WP11, WP22, WP12, WP5, WP9, WP91, WB36, 15XM, 10Cr9Mo1VNbN |
|
Pakkemetode |
tre kasse; trepall. |
|
Forsyningskapasitet |
1000 tonn/mnd |
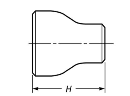
ASME B16.9-2024
Dimensjoner på konsentriske reduksjonsgir

|
Nominell rørstørrelse |
Utvendig diameter |
Slutt-til-slutt |
Nominell rørstørrelse |
Utvendig diameter |
Slutt-til-slutt |
||
|
Stor ende |
Liten ende |
Stor ende |
Liten ende |
||||
|
3/4x1/2 |
26.7 |
21.3 |
38.1 |
8x6 |
219.1 |
168.3 |
152.4 |
|
3/4x3/8 |
|
17.3 |
|
8x5 |
|
141.3 |
|
|
1x3/4 |
33.4 |
26.7 |
50.8 |
8x4 |
|
114.3 |
|
|
1x1/2 |
|
21.3 |
|
8x3-1/2 |
|
101.6 |
|
|
1-1/4x1 |
42.2 |
33.4 |
50.8 |
8x3 |
|
88.9 |
|
|
1-1/4x3/4 |
|
26.7 |
|
8x2-1/2 |
|
73.0 |
|
|
1-1/4x1/2 |
|
21.3 |
|
10x8 |
273.1 |
29.1 |
177.8 |
|
1-1/2x1-1/4 |
48.3 |
42.2 |
63.5 |
10x6 |
|
168.3 |
|
|
1-1/2x1 |
|
33.4 |
|
10x5 |
|
141.3 |
|
|
1-1/2x3/4 |
|
26.7 |
|
10x4 |
|
114.3 |
|
|
1-1/2x1/2 |
|
21.3 |
|
12x10 |
323.9 |
273.1 |
203.2 |
|
2x1-1/2 |
60.3 |
48.3 |
76.2 |
12x8 |
|
219.1 |
|
|
2x1-1/4 |
|
42.2 |
|
12x6 |
|
168.3 |
|
|
2x1 |
|
33.4 |
|
12x5 |
|
141.3 |
|
|
2x3/4 |
|
26.7 |
|
14x12 |
355.6 |
323.9 |
330.2 |
|
2-1/2x2 |
73.0 |
60.3 |
88.9 |
14x10 |
|
273.1 |
|
|
2-1/2x1-1/2 |
|
48.3 |
|
14x8 |
|
219.1 |
|
|
2-1/2x1-1/4 |
|
42.2 |
|
14x6 |
|
168.3 |
|
|
2-1/2x1 |
|
33.4 |
|
16x14 |
406.4 |
355.6 |
355.6 |
|
3x2-1/2 |
88.9 |
73.0 |
88.9 |
16x12 |
|
323.9 |
|
|
3x2 |
|
60.3 |
|
16x10 |
|
273.1 |
|
|
3x1-1/2 |
|
48.3 |
|
16x8 |
|
219.1 |
|
|
3x1-1/4 |
|
42.2 |
|
18x16 |
457.2 |
406.4 |
381.0 |
|
3-1/2x3 |
101.6 |
88.9 |
101.6 |
18x14 |
|
355.6 |
|
|
3-1/2x2-1/2 |
|
73.0 |
|
18x12 |
|
323.9 |
|
|
3-1/2x2 |
|
60.3 |
|
18x10 |
|
273.1 |
|
|
3-1/2x1-1/2 |
|
48.3 |
|
18x8 |
|
219.1 |
|
|
3-1/2x1-1/4 |
|
42.2 |
|
20x18 |
508.0 |
457.2 |
508.0 |
|
4x3-1/2 |
114.3 |
101.6 |
101.6 |
20x16 |
|
406.4 |
|
|
4x3 |
|
88.9 |
|
20x14 |
|
355.6 |
|
|
4x2-1/2 |
|
73.0 |
|
20x12 |
|
323.9 |
|
|
4x2 |
|
60.3 |
|
20x10 |
|
273.0 |
|
|
4x1-1/2 |
|
48.3 |
|
22x20 |
558.8 |
508.0 |
508.0 |
|
5x4 |
141.3 |
114.3 |
127.0 |
22x18 |
|
457.2 |
|
|
5x3-1/2 |
|
101.6 |
|
22x16 |
|
406.4 |
|
|
5x3 |
|
88.9 |
|
22x14 |
|
355.6 |
|
|
5x2-1/2 |
|
73.0 |
|
22x12 |
|
323.8 |
|
|
5x2 |
|
60.3 |
|
24x22 |
609.6 |
558.8 |
508.0 |
|
6x5 |
168.3 |
141.3 |
139.7 |
24x20 |
|
508.0 |
|
|
6x4 |
|
114.3 |
|
24x18 |
|
457.2 |
|
|
6x3-1/2 |
|
101.6 |
|
24x16 |
|
406.4 |
|
|
6x3 |
|
88.9 |
|
24x16 |
|
355.6 |
|
|
6x2-1/2 |
|
73.0 |
|
24x16 |
|
323.8 |
|



Produktfordeler
Omfattende kriterier, bred anvendelighet
Samsvar med ASME, GOST, DIN og andre internasjonale kriterier, og oppfyller amerikanske, russiske og tyske kriteriesystemkrav. Egnet for globale petroleums-, naturgass- og kjemiske prosjekter uten behov for sekundær sertifiseringskonvertering.
Diverse materialer, sterk tilpasningsevne
Tilbyr karbonstål, rustfritt stål, legert stål og andre materialer for å tilpasse seg ulike medier og miljøer.
Fleksibel overflatebehandling
Gir 5 overflatebehandlingsalternativer: bar overflate, maling, rustbeskyttende olje, anti-erosjonsmaling og varm-galvanisering. Varm-galvaniseringsbehandling øker erosjonsmotstanden betydelig i utendørs og fuktige miljøer, og forlenger levetiden med over 50 %.
Hovedapplikasjoner
Halvleder- og elektronikkproduksjon
Brukes til å transportere høy-renhet av elektroniske-kjemikalier, spesialgasser eller ultra-rent vann.
Kraftteknikk
Konsentrisk reduksjon av stålegnet for rørsystemer i kjeler, turbiner, varmevekslere, etc.
Skipsbygging og Marine Engineering
316L rustfritt stålmateriale motstår kloridionerosjon, egnet for marine miljøer. Brukes i skipsballastvann- og fyringsoljerørledningssystemer.
FAQ
Populære tags: stål konsentrisk redusering, Kina stål konsentrisk redusering produsenter, leverandører, fabrikk
